- 联系人:胡经理
- 手机:13938585788
- 地址:河南省巩义市豫联工业园区
- E-mail:4108129@qq.com
铝酸盐水泥对钢包透气砖及座砖的影响

座砖在使用过程中经常出现裂纹、恒断裂和掉块现象,严重影响其使用寿命,改善其抗热震性是提高其使用寿命的重要途径。目前,透气砖方面的研究较多,而座砖方面研究不多。在本工作中,研究了铝酸盐水泥加入量对刚玉和尖晶石质钢包透气砖座砖性能的影响,期望提高透气砖座砖的使用寿命,增强其安全系数,满足炼钢厂的使用要求。
钢包透气砖是钢水精炼底吹氩工艺中最关键的功能性元件,其使用条件非常苛刻。钢包透气砖按组装方式可分为内装式整体透气砖和外装式透气砖组合两种,其透气砖芯均需配套座砖进行保护。
目前座砖普遍采用浇注成型,经养护、干燥和烘烤后直接使用。座砖在使用过程中主要经受以下作用:
1、座砖工作面反复受急冷急热作用,容易导致座砖断裂和剥落;
2、受到钢水及渣的侵蚀、渗透;
3、受到高温钢水强烈的冲刷及磨损。因此,要求座砖应具有高的强度、好的抗热震性和优良的康渣侵蚀性能。
以白刚玉颗粒(5~3、3~1、0~1mm)为骨料,刚玉粉(≤0.074mm)为骨料,铝镁尖晶石粉(≤0.074mm)、活性α氧化铝微粉为细粉,纯铝酸钙水泥为结合剂,聚丙烯纤维、偶氮甲酰胺、碳酸氢钠及复合防爆剂聚丙烯纤维+碳酸氢钠等为防爆剂。原料的组成见下表1。

将原料按配比称量,干混均匀后,加入减水剂和适量水,用搅拌机充分搅拌均匀后,振动成型后160mm×40mm×40mm的试样,自然养护24h后脱模。脱模后自然干燥24h,再在110℃干燥24h,然后在高温试验炉内于1560℃保温3h。
按照YB/T5200-1993检测试样的显气孔率,按照YB/T5201-1993检测试样的常温抗折强度和耐压强度,按照YB/T5203-93检测试样的线变化率。
将1560℃烧后试样经1100℃水冷3次后,测量其残余抗折强度并计算其强度保持率,以此来评价试样的抗热震性。试样经振动成型为50mm×50mm×50mm的样块,试验炉膛尺寸不小于350mm×150mm×150mm,试验炉预先升到设定温度400、600、800℃,并均保温30min。将脱模后的试样成型面朝上迅速放入试验炉内,立即关闭炉门保温30min,观察其抗爆裂性。
结果与讨论,纯铝酸钙水泥加入量对试样常温性能的影响?
下图1显示出了不同温度处理后各试样的显气孔率。从图可以看出,随着纯铝酸钙水泥加入量的增加,110℃干燥后显气孔率略有降低,其原因为随水泥加入量的增加其水化量也增加,而水泥水化是体积增加的反应,水泥水化体积增加从而填充了气孔;还有一个原因是随水泥加入量从2%增加到6%,1500℃烧后试样的显气孔率明显增加,从12.5%增加到18.9%。

图1 不同温度处理后各试样的显气孔率
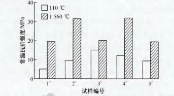
下面的两个图片分别示出了不同温度处理后各试样的常温抗折强度和耐压强度。从图2、图3可以看出,随着水泥加入量的增加,110℃干燥后常温抗折强度及耐压强度逐渐增加,强度增加是由于水化量增加,导致胶结强度增加;1550℃烧后常温抗折强度及耐压强度先增加后降低,然后再增加,在水泥加入量6%时最低,分析原因认为随着水泥加入量的增加,形成了板状CA6增加了强度,但同时伴随着体积变化又破坏强度,在相互作用之间形成强度变化,特别是在水泥加入量达到6%时体积发生最大变化,对强度的影响也最大。

图2 不同温度处理后各试样的常温抗折强度

图3 不同温度处理后各试样的常温耐压强度
总体来说,随着水泥加入量的增加,试样的常温强度先增加后略有降低,显气孔率和线变化明显增加。水泥加入量为6%时,试样的显气孔率和线变化率最大,常温强度最低。主要因为水泥加入量分数为6%时,1550℃烧后试样中生成的六铝酸钙(CA6)量最大,导致试样的体积明显膨胀,显气孔率增加,强度下降,当水泥加入质量分数超过6%时,多余的CaO可与刚玉颗粒反应形成CA6或二铝酸钙(CA6),致使其膨胀量下降。
水泥加入量对试样抗热震性的影响

图4水泥加入量对1550℃烧后试样抗热震性的影响
从上图4可以看出,随着水泥加入量的增加,经1100℃水冷3次后试样的抗折强度保持率逐渐增加,试样的抗热震性得到改善,水泥加入质量分数为10%时,热震后强度保持率最大。抗热震性得到改善的原因与高铝水泥加入量增加后所形成的CA6含量和显微形貌有关,反应生成的板片状CA6能够提高试样的抗热震性。
实际生产中,烘烤后座砖成品率由原来的60%提高到98.5%。采用水泥加入量6%~10%、添加了复合防爆剂的高纯刚玉尖晶石底吹氩透气砖座砖在某大型钢厂150t转炉钢包上进行了批量试验,使用寿命由原来的平均31次提高到平均36次,取得了较好的效果。
结论
1、随着水泥加入量的增加,110℃干燥后试样的常温抗折强度及耐压强度逐渐增加,1550℃烧后试样的常温抗折强度及耐压强度先增加后降低,然后再增加,烧后线变化率先增加后降低。水泥加入量6%时强度最低。显气孔率和烧后线变化率最大,其性能最差。
2、随着水泥加入量的增加,1100℃水冷3次热震后,1560℃烧后试样的强度保持率逐渐增加,抗热震性得到改善,水泥加入质量分数为10%时抗热震性最好。
3、添加防爆剂试样的抗爆裂性能得到明显改善,尤其采用碳酸氢钠或碳酸氢钠+聚丙烯有机纤维复合的防爆剂抗爆裂效果最好。
4、采用水泥加入量6%~10%、添加复合防爆剂的高纯刚玉尖晶石底吹氩透气砖的寿命由原来的平均31次提高到平均36次。
上一篇:纯铝酸钙水泥浇注料烘烤曲线工艺
下一篇:煅烧氧化铝微粉对纯铝酸钙水泥浇注料的影响



